0510-89890666
基本特性:
DC-Com型環鏈電動葫蘆適用于一般應用。同時DC-Com也具備德馬格產品的高質特征。
DC-Com型環鏈電動葫蘆可方便地安裝到KBK標準組件軌道上。新型的U11/U22小車機構可在工字鋼或H型鋼軌道上來去平滑自如。
德馬格新型DC-Com型環鏈電動葫蘆
1、調試簡單
即插即用--所有電氣連接均為插入式設計
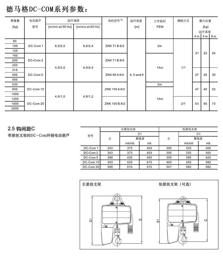
通用型懸掛支架,能方便安裝到小車機構上
小車機構U11/U22放入輪緣寬度可無限調節--快速又簡便
2、人性化設計
控制電纜的長度可以調節,無需額外電纜--手電門總能在適當的位置工作
DSC手電門和配合使用電動行走小車的DSE10-C手電門都具有人性化設計,可免除操作疲勞。
對于簡單的輸送任務采用單鏈設計
3、統一維修檢測后蓋
統一維修檢測后蓋內備有所有重要的插接部件,并且可以調節手電門高度,潤滑鏈條
手電門即插即用,并可快速替換
無需卸除電機或齒輪部件即可快速替換鏈輪
4、工作級別1Am和2m
5、24V接觸器控制方式
6、標準二級起升速度





